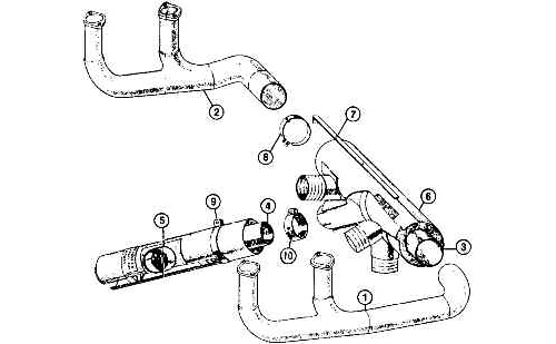
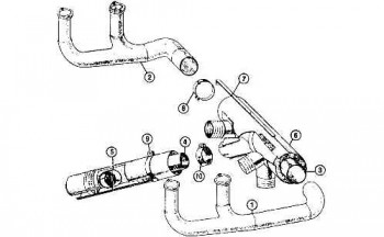
PIPER MFFLR SHROUD U70963-000

Артикул: 05-07505

112820 94017 руб.

Наличие: – Есть в наличии у нашего поставщика. Доставка на наш склад в течение 5...6 недель после оплаты Вами заказа.

Параметры

Параметр Значение
Артикул 05-07505
Название PIPER MFFLR SHROUD U70963-000